Publié
Synchro Irium

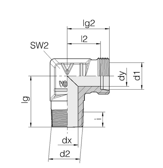
Coude male

Réf : WES10LRK14
Marque
Voss
𝐅𝐨𝐫𝐦𝐞 : Coude 90° 𝐂𝐨𝐧𝐧𝐞𝐱𝐢𝐨𝐧 𝐞𝐧 𝐬𝐞́𝐫𝐢𝐞 𝟏 : 10L 𝐃𝐢𝐚𝐦𝐞̀𝐭𝐫𝐞 𝐫𝐚𝐜𝐜𝐨𝐫𝐝 𝐧°𝟏 : 10 mm 𝐃𝐢𝐚𝐦𝐞̀𝐭𝐫𝐞 𝐝𝐞 𝐟𝐢𝐥𝐞𝐭𝐚𝐠𝐞 𝐝𝐮 𝐫𝐚𝐜𝐜𝐨𝐫𝐝 𝐧°𝟏 : 1/4 Inch 𝐋𝟏 𝐋𝐨𝐧𝐠𝐮𝐞𝐮𝐫 𝐝𝐮 𝐟𝐢𝐥𝐞𝐭𝐚𝐠𝐞 𝐝𝐮 𝐫𝐚𝐜𝐜𝐨𝐫𝐝 𝐧°𝟏 : 12 mm 𝐓𝐲𝐩𝐞 𝐝𝐞 𝐟𝐢𝐥𝐞𝐭𝐚𝐠𝐞 𝐝𝐮 𝐫𝐚𝐜𝐜𝐨𝐫𝐝 𝐧°𝟏 : BSP 𝐒𝟐 𝐑𝐚𝐜𝐜𝐨𝐫𝐝 𝐧°𝟏, 𝐭𝐚𝐢𝐥𝐥𝐞 𝐝𝐞 𝐜𝐥𝐞́ : 19.0 mm 𝐃𝐢𝐬𝐭𝐚𝐧𝐜𝐞 𝐝𝐮 𝐜𝐞𝐧𝐭𝐫𝐞 𝐚̀ 𝐥’𝐞𝐱𝐭𝐫𝐞́𝐦𝐢𝐭𝐞́ 𝐝𝐮 𝐫𝐚𝐜𝐜𝐨𝐫𝐝 : 19 mm 𝐓𝐲𝐩𝐞 𝐝𝐞 𝐫𝐚𝐜𝐜𝐨𝐫𝐝 𝐧°𝟐 : Femelle 𝐃𝐢𝐚𝐦𝐞̀𝐭𝐫𝐞 𝐝𝐮 𝐫𝐚𝐜𝐜𝐨𝐫𝐝 𝐧°𝟐 : 10 mm 𝐃𝐢𝐚𝐦𝐞̀𝐭𝐫𝐞 𝐝𝐞 𝐟𝐢𝐥𝐞𝐭𝐚𝐠𝐞 𝐫𝐚𝐜𝐜𝐨𝐫𝐝 𝐧°𝟐 : M16 𝐏𝐚𝐬 𝐝𝐞 𝐯𝐢𝐬 𝐫𝐚𝐜𝐜𝐨𝐫𝐝 𝐧°𝟐 : 1.50 mm 𝐓𝐲𝐩𝐞 𝐝𝐞 𝐟𝐢𝐥𝐞𝐭𝐚𝐠𝐞 𝐫𝐚𝐜𝐜𝐨𝐫𝐝 𝐧°𝟐 : Métrique 𝐓𝐚𝐢𝐥𝐥𝐞 𝐝𝐞 𝐜𝐥𝐞́ 𝐝𝐞 𝐫𝐚𝐜𝐜𝐨𝐫𝐝𝐞𝐦𝐞𝐧𝐭 𝐧°𝟐 : 17.0 mm 𝐃𝐢𝐬𝐭𝐚𝐧𝐜𝐞 𝐝𝐮 𝐜𝐞𝐧𝐭𝐫𝐞 𝐚̀ 𝐥’𝐞𝐱𝐭𝐫𝐞́𝐦𝐢𝐭𝐞́ 𝐝𝐮 𝐫𝐚𝐜𝐜𝐨𝐫𝐝 𝐧°𝟐 : 15 mm
Stock
3 En stock. Livraison rapide
En poursuivant votre navigation sur ce site, vous acceptez l'utilisation de cookies destinés à réaliser des statistiques de visite
En savoir +
J'accepte
Refuser
Personnaliser