Publié
Synchro Irium

Plaque de montage

Réf : RAMC111B
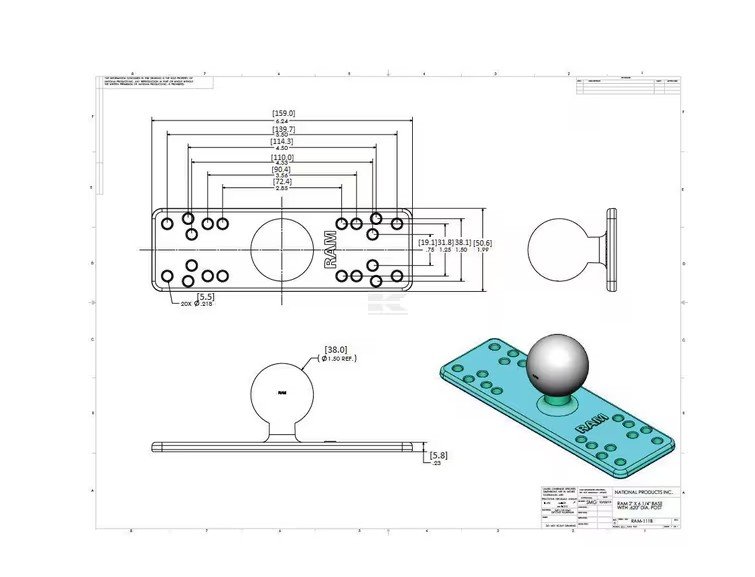
𝐃𝐞𝐬𝐜𝐫𝐢𝐩𝐭𝐢𝐨𝐧 𝐝𝐞́𝐭𝐚𝐢𝐥𝐥𝐞́𝐞 : - Pièces de montage universelles pour le montage de moniteurs et de systèmes de caméras ainsi que de téléphones portables, de tablettes et de systèmes GNSS (GPS). - Applicable dans et sur les véhicules agricoles, routiers et de construction, ainsi que sur d'autres machines ou véhicules à moteur. 𝐏𝐨𝐢𝐧𝐭𝐬 𝐟𝐨𝐫𝐭𝐬 : Sans vibrations Montage facile Peut être monté à n'importe quel angle souhaité 𝐃𝐞́𝐭𝐚𝐢𝐥𝐬 𝐝𝐮 𝐩𝐫𝐨𝐝𝐮𝐢𝐭 : - Diamètre de la boule C : 1,5'' (38,1 mm) RAM - Charge maximale admissible : 2,5Kg - Pièces en aluminium avec revêtement résistant - Les supports RAM, lorsqu'ils sont fabriqués à partir d'un alliage d'aluminium, ont une désignation de type d'article commençant par RAM (M pour "Métal") 𝐌𝐚𝐭𝐢𝐞̀𝐫𝐞 𝐞𝐱𝐭𝐞́𝐫𝐢𝐞𝐮𝐫𝐞 : Composite 𝐌𝐚𝐭𝐢𝐞̀𝐫𝐞 𝐢𝐧𝐭𝐞́𝐫𝐢𝐞𝐮𝐫𝐞 : Aluminium 𝐃𝐢𝐚𝐦𝐞̀𝐭𝐫𝐞 𝐞𝐱𝐭𝐞́𝐫𝐢𝐞𝐮𝐫 : 38 mm 𝐋𝐨𝐧𝐠𝐮𝐞𝐮𝐫 𝐭𝐨𝐭𝐚𝐥𝐞 : 158.8 mm
Stock
2 En stock. Livraison rapide
En poursuivant votre navigation sur ce site, vous acceptez l'utilisation de cookies destinés à réaliser des statistiques de visite
En savoir +
J'accepte
Refuser
Personnaliser