Publié
Synchro Irium

Vis pour panneaux d'aggloméré 4 x 45 mm (x20)

Réf : KRSPS445P020
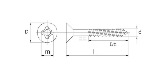
𝐕𝐢𝐬 𝐩𝐨𝐮𝐫 𝐚𝐠𝐠𝐥𝐨𝐦𝐞́𝐫𝐞́ 𝐚̀ 𝐭𝐞̂𝐭𝐞 𝐟𝐫𝐚𝐢𝐬𝐞́𝐞 𝐝 : 𝐃𝐢𝐚𝐦𝐞̀𝐭𝐫𝐞 𝐝𝐞 𝐟𝐢𝐥𝐞𝐭𝐚𝐠𝐞 : 4 mm 𝐥 : 𝐋𝐨𝐧𝐠𝐮𝐞𝐮𝐫 : 45 mm 𝐓𝐲𝐩𝐞 𝐝𝐞 𝐭𝐞̂𝐭𝐞 : PZ 𝐅𝐨𝐫𝐦𝐞 𝐝𝐞 𝐥𝐚 𝐭𝐞̂𝐭𝐞 : À tête fraisée 𝐌𝐚𝐭𝐢𝐞̀𝐫𝐞 : Acier 𝐋𝐭 : 𝐋𝐨𝐧𝐠𝐮𝐞𝐮𝐫 𝐝𝐞 𝐟𝐢𝐥𝐞𝐭𝐚𝐠𝐞 : 27 mm 𝐋𝐨𝐧𝐠𝐮𝐞𝐮𝐫 𝐭𝐨𝐭𝐚𝐥𝐞 : 45 mm 𝐃𝐢𝐦𝐞𝐧𝐬𝐢𝐨𝐧𝐬 𝐝𝐞 𝐜𝐥𝐞́ 𝐧𝐨𝐫𝐦𝐚𝐥𝐢𝐬𝐞́𝐞 : PZ2 𝐃 : 𝐃𝐢𝐚𝐦𝐞̀𝐭𝐫𝐞 𝐞𝐱𝐭𝐞́𝐫𝐢𝐞𝐮𝐫 𝐝𝐞 𝐥𝐚 𝐭𝐞̂𝐭𝐞 (𝐥𝐚𝐫𝐠𝐞𝐮𝐫) : 8 mm 𝐓𝐫𝐚𝐢𝐭𝐞𝐦𝐞𝐧𝐭 𝐝𝐞 𝐬𝐮𝐫𝐟𝐚𝐜𝐞 : Zingué
Stock
3 En stock. Livraison rapide
En poursuivant votre navigation sur ce site, vous acceptez l'utilisation de cookies destinés à réaliser des statistiques de visite
En savoir +
J'accepte
Refuser
Personnaliser