Publié
Synchro Irium

Roulement

Réf : UC206GP
Marque
Gopart
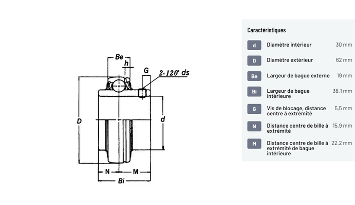
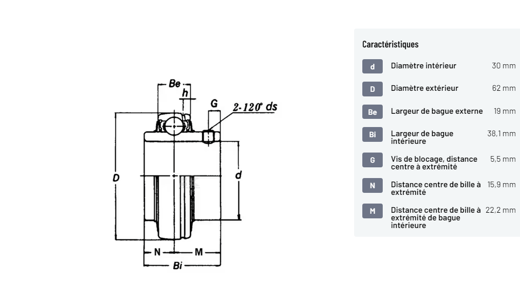
𝐝 : 𝐃𝐢𝐚𝐦𝐞̀𝐭𝐫𝐞 𝐢𝐧𝐭𝐞́𝐫𝐢𝐞𝐮𝐫 : 30 mm 𝐃 : 𝐃𝐢𝐚𝐦𝐞̀𝐭𝐫𝐞 𝐞𝐱𝐭𝐞́𝐫𝐢𝐞𝐮𝐫 : 62 mm 𝐁𝐞 : 𝐋𝐚𝐫𝐠𝐞𝐮𝐫 𝐝𝐞 𝐛𝐚𝐠𝐮𝐞 𝐞𝐱𝐭𝐞𝐫𝐧𝐞 : 19 mm 𝐁𝐢 : 𝐋𝐚𝐫𝐠𝐞𝐮𝐫 𝐝𝐞 𝐛𝐚𝐠𝐮𝐞 𝐢𝐧𝐭𝐞́𝐫𝐢𝐞𝐮𝐫𝐞 : 38.1 mm 𝐆 : 𝐕𝐢𝐬 𝐝𝐞 𝐛𝐥𝐨𝐜𝐚𝐠𝐞, 𝐝𝐢𝐬𝐭𝐚𝐧𝐜𝐞 𝐜𝐞𝐧𝐭𝐫𝐞 𝐚̀ 𝐞𝐱𝐭𝐫𝐞́𝐦𝐢𝐭𝐞́ : 5,5 mm 𝐍 : 𝐃𝐢𝐬𝐭𝐚𝐧𝐜𝐞 𝐜𝐞𝐧𝐭𝐫𝐞 𝐝𝐞 𝐛𝐢𝐥𝐥𝐞 𝐚̀ 𝐞𝐱𝐭𝐫𝐞́𝐦𝐢𝐭𝐞́ : 15,9 mm 𝐌 : 𝐃𝐢𝐬𝐭𝐚𝐧𝐜𝐞 𝐜𝐞𝐧𝐭𝐫𝐞 𝐝𝐞 𝐛𝐢𝐥𝐥𝐞 𝐚̀ 𝐞𝐱𝐭𝐫𝐞́𝐦𝐢𝐭𝐞́ 𝐝𝐞 𝐛𝐚𝐠𝐮𝐞 𝐢𝐧𝐭𝐞́𝐫𝐢𝐞𝐮𝐫𝐞 : 22,2 mm
Stock
3 En stock. Livraison rapide
En poursuivant votre navigation sur ce site, vous acceptez l'utilisation de cookies destinés à réaliser des statistiques de visite
En savoir +
J'accepte
Refuser
Personnaliser