Publié
Synchro Irium

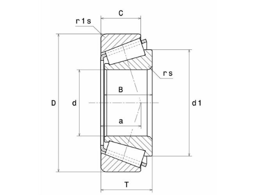
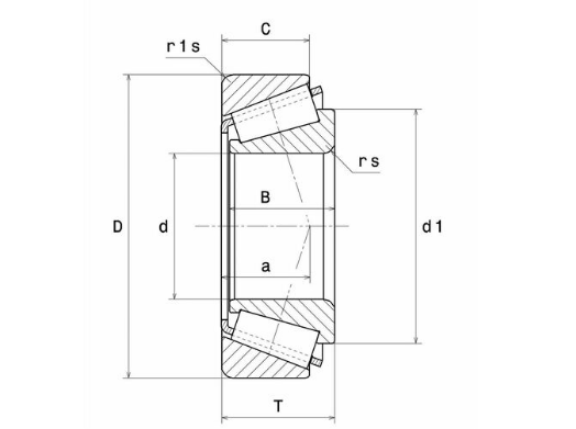
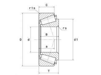
Roulements à rouleaux coniques

Réf : 32012
Marque
SNR
𝐌𝐚𝐫𝐪𝐮𝐞 : SNR 𝐝 - 𝐃𝐢𝐚𝐦𝐞̀𝐭𝐫𝐞 𝐈𝐧𝐭𝐞́𝐫𝐢𝐞𝐮𝐫 : 60 mm 𝐃 - 𝐃𝐢𝐚𝐦𝐞̀𝐭𝐫𝐞 𝐄𝐱𝐭𝐞́𝐫𝐢𝐞𝐮𝐫 : 95 mm 𝐁 - 𝐋𝐚𝐫𝐠𝐞𝐮𝐫 𝐝𝐮 𝐫𝐨𝐮𝐥𝐞𝐦𝐞𝐧𝐭 𝐨𝐮 𝐝𝐞 𝐥𝐚 𝐛𝐚𝐠𝐮𝐞 𝐢𝐧𝐭𝐞́𝐫𝐢𝐞𝐮𝐫𝐞 : 23 mm 𝐂 - 𝐋𝐚𝐫𝐠𝐞𝐮𝐫 𝐝𝐞 𝐥𝐚 𝐛𝐚𝐠𝐮𝐞 𝐞𝐱𝐭𝐞́𝐫𝐢𝐞𝐮𝐫𝐞 : 17,5 mm 𝐓 - 𝐋𝐚𝐫𝐠𝐞𝐮𝐫 𝐭𝐨𝐭𝐚𝐥𝐞 : 23 mm 𝐝𝟏 - 𝐃𝐢𝐚𝐦𝐞̀𝐭𝐫𝐞 𝐞𝐱𝐭𝐞́𝐫𝐢𝐞𝐮𝐫 𝐛𝐚𝐠𝐮𝐞 𝐢𝐧𝐭𝐞́𝐫𝐢𝐞𝐮𝐫𝐞 : 78,5 mm 𝐚 - 𝐏𝐨𝐬𝐢𝐭𝐢𝐨𝐧 𝐏𝐨𝐢𝐧𝐭 𝐀𝐩𝐩𝐥𝐢𝐜𝐚𝐭𝐢𝐨𝐧 𝐂𝐡𝐚𝐫𝐠𝐞𝐬 : 21 mm 𝐫𝐬 - 𝐑𝐚𝐲𝐨𝐧 𝐦𝐢𝐧𝐢 𝐝𝐞 𝐑𝐚𝐜𝐜𝐨𝐫𝐝𝐞𝐦𝐞𝐧𝐭 : 1,5 mm 𝐫𝟏𝐬 - 𝐑𝐚𝐲𝐨𝐧 𝐦𝐢𝐧𝐢 𝐝𝐞 𝐑𝐚𝐜𝐜𝐨𝐫𝐝𝐞𝐦𝐞𝐧𝐭 : 1,5 mm
Stock
4 En stock. Livraison rapide
En poursuivant votre navigation sur ce site, vous acceptez l'utilisation de cookies destinés à réaliser des statistiques de visite
En savoir +
J'accepte
Refuser
Personnaliser